บทความ

กำลังแสดงโพสต์จาก กันยายน, 2020

วงจรกลับทางหมุนหลังจากหยุดมอเตอร์ (Reversing after stop)

รูปภาพ
                       ลักษณะการกลับทางหมุนหลังจากหยุดมอเตอร์ หมายถึง วงจรจะกลับทางหมุนมอเตอร์ได้ เมื่อทำการหยุดมอเตอร์ก่อนเท่านั้น                    การเริ่มเดินมอเตอร์จะเริ่มเดินให้หมุนขวาหรือซ้ายก่อนก็ได้ โดยการกดสวิตช์  S2  หรือ  S3                    และเมื่อต้องการหยุดมอเตอร์ก็สามารถทำได้โดยการกดสวิตช์  S1 (OFF) วงจรกำลัง                                              วงจรควบคุม ดูการทำงานของวงจร ลักษณะการทำงานของวงจร                    1)   คอนแทกเตอร์  K1  ทำหน้าที่ต่อให้มอเตอร์หมุนขวา และคอนแทกเตอร์  K...

วงจรควบคุมมอเตอร์ แบบสตาร์-เดลต้า

รูปภาพ
  วงจรสตาร์ทมอเตอร์แบบ สตาร์ เดลต้า Star Delta คือ เป็นการสตาร์ทเพื่อลดกระแสขณะสตาร์ท โดยใช้หลักการนำอุปกรณ์ภายนอกมาเปลี่ยนวงจรขดลวดเพื่อให้มีแรงดันที่ป้อนให้กับขดลวดต่อเฟสลดลงจากเดิม ซึ่งเป็นผลต่อเนื่องให้กระแสลดลงเป็นสัดส่วนกับแรงดัน แต่แรงบิดจะลดลงเป็นสัดส่วนกำลังสอง ขณะสตาร์ทมอเตอร์เป็นแบบสตาร์และเมื่อมอเตอร์หมุนไปด้วยความเร็ว 75% ของความเร็วพิกัด มอเตอร์จะต้องหมุนแบบเดลต้า ทำไมต้องใช้วงจรสตาร์ทมอเตอร์แบบ สตาร์ เดลต้า Star Delta? และขนาดพิกัดมอเตอร์ที่เหมาะสม? การสตาร์ทมอเตอร์แบบสตาร์ เดลต้า เป็นวิธีที่ง่าย และสามารถลดกระแสขณะสตาร์ทได้ ซึ่งมอเตอร์ที่จะนำมาสตาร์ทแบบสตาร์ เดลต้าได้ ขดลวดสเตเตอร์จะถูกออกแบบให้ทำงานที่พิกัดขดลวดเป็นขดเฟสที่ต่อแบบเดลต้า เช่น มอเตอร์ชนิด 400 V (Delta)/690 V (Star) ในขณะทำการสตาร์ท ขดลวดมอเตอร์จะถูกต่อแบบสตาร์ ทำให้ค่าแรงดันตกคร่อมที่ขดลวดลดลงเหลือเพียง 57% เมื่อแรงดันตกคร่อมลดลงส่งผลทำให้กระแสสตาร์ทจะลดลง และแรงบิดล็อกโรเตอร์ก็จะลดลงไปด้วยประมาณ 1 ใน 3 ของค่าที่ต่อแบบเดลต้า หลังจากนั้นเมื่อความเร็วรอบมอเตอร์เข้าใกล้พิกัดก็จะต่อกลายเป็นแบบเดลต้าท...

วงจรกลับทางหมุนแบบจ๊อกกิ้ง (Reversing by Jogging )

รูปภาพ
 ลั กษณะการกลับทางหมุนแบบจ๊อกกิ้ง หมายถึง การกลับทางหมุนมอเตอร์โดยการกดสวิตช์ปุ่ม กดค้างไว้ เมื่อปล่อยมือออกจากสวิตช์ปุ่มกดมอเตอร์ก็จะหยุดหมุน                  การเริ่มเดินมอเตอร์จะต้อง กดสวิตซ์   S1 ก่อนเป็นอันดับแรก กระแสจึงจะผ่าน  S1 มาได้ พร้อมที่จะควบคุมให้มอเตอร์เริ่มทำงานได้ เป็นลำดับถัดไป                 การเริ่มเดินมอเตอร์จะเริ่มเดินให้หมุนขวาหรือซ้ายก่อนก็ได้ โดยการกดสวิตช์  S2  หรือ  S3 ซึ่งเป็นสวิตว์แบบกดติดปล่อยดับ ดังนั้นมอเตอร์จะทำงานเฉพาะตอนกดปุ่มสวิตซ์ค้างไว้เท่านั้น หากปล่อยสวิตซ์มอเตอร์จะหยุดทันที                 และเมื่อไม่ต้องการให้วงจรทำงานก็ทำการปลดสวิตช์  S1  ออกซึ่ง  S1  เป็นสวิตช์แบบมีล็อคในตัวเอง หรือสวิตซ์แบบกดติดกดดับ ดูการทำงานของวงจร ลักษณะการทำงานของวงจร                ...

วงจรกลับทางหมุนมอเตอร์โดยตรง (Direct reversing)

  วงจรกลับทางหมุนมอเตอร์โดยตรง   (Direct reversing)      วิธีการกลับทางหมุนมอเตอร์สามเฟสทำได้โดยการสลับสายเมนคู่ใดคู่หนึ่งที่ต่อเข้ากับมอเตอร์ ส่วนอีกเส้นหนึ่งต่อไว้ เหมือนเดิม ลักษณะการกลับทางหมุนแบบกลับทางหมุนโดยตรง หมายถึง วงจรสามารถทำการกลับทางหมุนมอเตอร์ ได้ทันทีตลอดเวลาที่มอเตอร์ทำการหมุนอยู่ โดยการกดสวิตช์ S2 หรือ S3 และเมื่อต้องการหยุดมอเตอร์ก็สามารถ ทำได้โดยการกดสวิตช์ S1 (OFF) 1)  คอนแทกเตอร์ K1 ทำหน้าที่ต่อให้มอเตอร์หมุนขวา และคอนแทกเตอร์ K2 ทำหน้าที่ต่อให้มอเตอร์หมุนซ้าย 2)  เริ่มเดินมอเตอร์ให้หมุนซ้ายหรือขวาก่อนก็ได้โดยการกดสวิตช์ S2 หรือ S3 และสามารถทำการกลับ      ทางหมุนได้ตลอดเวลาโดยไม่จำเป็นต้องทำให้มอเตอร์หยุดหมุนก่อน 3)  เมื่อต้องการหยุดมอเตอร์ให้ทำการกดปุ่มสวิตช์ S1 4)  ถ้ากดสวิตช์ปุ่มกด S2 และ S3 พร้อมกันจะไม่มีคอนแทกเตอร์ตัวใดทำงาน และคอนแทกเตอร์ K1      และ K2 ไม่สามารถทำงานพร้อมกันได้ เนื่องจากมี interlock contact K1 และ K2 ต่อไว้ก่อนเข้าคอล์ย  ...

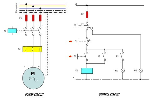
วงจรสตาร์ทมอเตอร์โดยตรง (Direct start)

รูปภาพ
                        วงจรเริ่มเดินมอเตอร์โดยตรง หมายถึง วงจรที่มีการต่อแหล่งจ่ายไฟฟ้ากำลังเข้าสู่ตัวมอเตอร์เพื่อเริ่มเดิน ( start)  มอเตอร์โดยตรง โดยไม่ผ่านอุปกรณ์หรือวิธีการลดแรงดันใด ๆ ก่อนถึงตัวมอเตอร์                   วงจรนี้เป็นการควบคุมมอเตอร์แบบกึ่งอัตโนมัติ                   ใช้กับการควบคุมมอเตอร์ขนาดเล็กที่กินกระแสไม่มาก ดูการทำงานของวงจร วิดีโอสาธิตการต่อมอเตอร์แบบสตาร์ทตรง การต่อวงจรจากอุปกรณ์จริง อุปกรณ์ที่ใช้            F1 =  ฟิวส์หลัก ( Main fuse)            F2 =  ฟิวส์วงจรควบคุม ( Control fuse)            K1 =  คอนแทกเตอร์หลัก ( Main contactor)            S1 =  สวิตช์ปุ่มกด  OFF            F3 =  โอเวอร์โหลดรีเลย์ ( Overload relay) ...

การกลับทางหมุนมอเตอร์ 3 เฟส

รูปภาพ
    มอเตอร์ 3 เฟส สามารถกลับทางหมุนได้โดย การกลับเฟสของสายไฟที่จ่ายให้กับมอเตอร์ จำนวน 2 สาย โดยสามารถที่จะกลับเฟสของสายคู่ใดก็ได้ ที่จ่ายให้กับมอเตอร์ ภาพที่ 1 แสดงการกลับทางหมุนของมอเตอร์ 3 เฟส การกลับทางหมุนมอเตอร์  3  เฟส สามารถทำได้  2  วิธีคือ 1.  การกลับทางหมุนโดยใช้สวิตช์เช่น ดรัมสวิตช์  (Drum Switch)  หรือโรตารี่แคมสวิตช์  (Rotary Camp SWitch)         การกลับทางหมุนโดยใช้สวิตช์ เช่น โรตารี่แคมสวิตช์จะเป็นสวิตช์หมุน  3  ตำแหน่ง คือ  I – O - II (Clockwise-Counter Cockwise)  หรือ  F – O - R (Forward-Stop-Reverse)  หรือ  L- O – R (Left-Stop-Right) ภาพที่ 2 แสดงดรัมสวิตซ์ที่ใช้ในการควบคุมการกลับทางหมุนของมอเตอร์ 3 เฟส 2.  โดยการใช้แมคเนติกคอนแทคเตอร์          การใช้แมคเนติกคอนแทคเตอร์ จะใช้แมคเนติกคอนแทคเตอร์เพิ่มขึ้นอีก 1 ตัว โดยตัวที่ 2 จะสลับสายเฟสให้แตกต่างจากแมคเนติกตัวแรก เพื่อจ่ายให้กับมอเตอร์ และออกแบบอย่างไรก็ได้ตามต้องการให้วงจรควบคุมค...